





MSE 140 C-Q E 14 MSE 160 C-Q
E 160 HT MSE 160 C-BQ
MSE 210 C-BQ HT 75 HT 70 PRODUCT SET
MSE 141 C-Q MSE 200 C-BQ
HT-KM Podkrzesywarka
MSE 230 C-BQ MSE 140 C-BQ
HTE 60 MSE 180 C-BQ
HT-KM
✅Poszukujesz części zamiennych
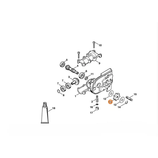
Podaj nr pozycji z rysunku jaka Cię interesuje i wyślij zapytanie do nas.
W informacji proszę również uwzględnić średnice wiertła oraz jaką wiertnice Stihl posiadasz.
🔴zapytanie wyślij na maila:
sklep@markab.com.pl
A my odpowiemy Tobie ile kosztuje oraz termin realizacji wskazanej części.



Nikt jeszcze nie napisał recenzji do tego produktu. Bądź pierwszy i napisz recenzję.
Tylko zarejestrowani klienci mogą pisać recenzje do produktów. Jeżeli posiadasz konto w naszym sklepie zaloguj się na nie, jeżeli nie załóż bezpłatne konto i napisz recenzję.