





RGA 140 RG
RG-KM
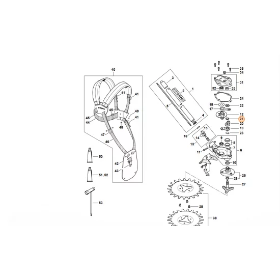
Poszukujesz części zamiennych
Podaj nr pozycji z rysunku jaka Cię interesuje i wyślij zapytanie do nas.
W informacji proszę również uwzględnić średnice wiertła oraz jaką wiertnice Stihl posiadasz.
zapytanie wyślij na maila:
sklep@markab.com.pl
A my odpowiemy Tobie ile kosztuje oraz termin realizacji wskazanej części.



Nikt jeszcze nie napisał recenzji do tego produktu. Bądź pierwszy i napisz recenzję.
Tylko zarejestrowani klienci mogą pisać recenzje do produktów. Jeżeli posiadasz konto w naszym sklepie zaloguj się na nie, jeżeli nie załóż bezpłatne konto i napisz recenzję.