





MM 55 KM 55 C-E FH 75 FS 75 FS 85 R FS 55 SP 85
FS 85 T FS 38 KM 85 R BG 55 SH 85
KM 55 HL 75 KM 55 R HL 75 K KM 55 RC-E FS 80 R 4137
HT 75 HT 70 FS 85 FS 45 SH 55
FC 85 KW 85 BG 85 FS 45 C-E FS 80 4137 KM 85
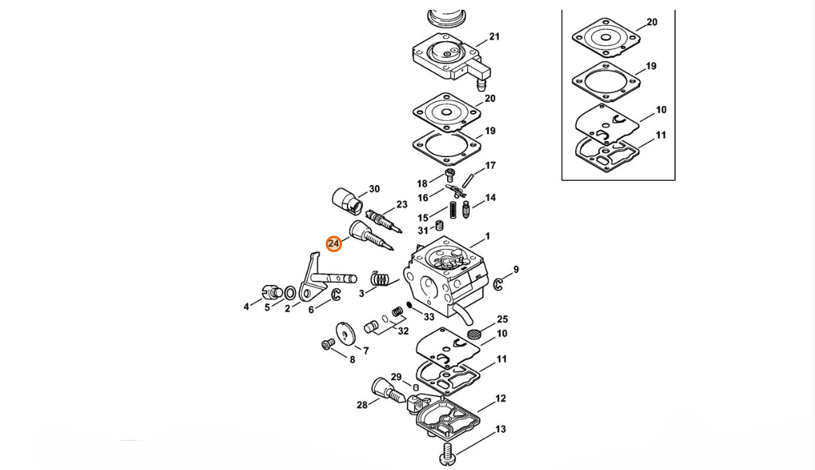
Poszukujesz części zamiennych
Podaj nr pozycji z rysunku jaka Cię interesuje i wyślij zapytanie do nas.
W informacji proszę również uwzględnić średnice wiertła oraz jaką wiertnice Stihl posiadasz.
zapytanie wyślij na maila:
sklep@markab.com.pl
A my odpowiemy Tobie ile kosztuje oraz termin realizacji wskazanej części.



Nikt jeszcze nie napisał recenzji do tego produktu. Bądź pierwszy i napisz recenzję.
Tylko zarejestrowani klienci mogą pisać recenzje do produktów. Jeżeli posiadasz konto w naszym sklepie zaloguj się na nie, jeżeli nie załóż bezpłatne konto i napisz recenzję.