





MS 194 T MS 193 T MS 192 T MS 194 C-E
MS 150 TC-E MC 200
MS 193 C-E HT MS 150 C-E MS 201 C-M
PRODUCT SET MSE 141 C-Q
HT 101 HTE 60 MS 151 C-E HT-KM
MS 201 TC-M MS 151 TC-E
HT 75 HT 70
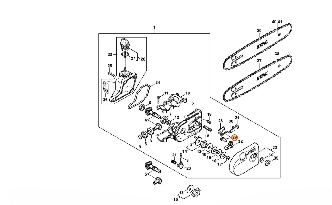
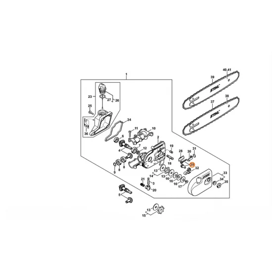
✅Poszukujesz części zamiennych
Podaj nr pozycji z rysunku jaka Cię interesuje i wyślij zapytanie do nas.
W informacji proszę również uwzględnić średnice wiertła oraz jaką wiertnice Stihl posiadasz.
🔴zapytanie wyślij na maila:
sklep@markab.com.pl
A my odpowiemy Tobie ile kosztuje oraz termin realizacji wskazanej części.



Nikt jeszcze nie napisał recenzji do tego produktu. Bądź pierwszy i napisz recenzję.
Tylko zarejestrowani klienci mogą pisać recenzje do produktów. Jeżeli posiadasz konto w naszym sklepie zaloguj się na nie, jeżeli nie załóż bezpłatne konto i napisz recenzję.